VLASTNOSTI
- Výkonný řezací mechanismus – precizní řezací jednotka z materiálu AISI 440C odolného vůči korozi, kalená na tvrdost 55-60 HRC.
- Polootevřené oběžné kolo – minimalizuje riziko ucpávání pevnými nečistotami.
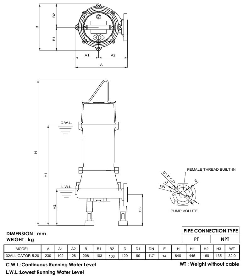
- Výtlačné hrdlo 1¼" – s vnitřním závitem, vhodné pro připojení na tlakové potrubí.
- Dvojitá mechanická ucpávka BURGMANN – vysoce kvalitní ucpávka (CA/CE a SIC/SIC) zaručuje dlouhou životnost.
- Ochrana motoru – tepelná ochrana Auto-Cut chrání čerpadlo před přetížením.
- Motorové provedení – motor s krytím IP68, třída izolace B (1,5–3 HP) nebo F (5–7,5 HP).
- Dodávka s kabelem 10 m – robustní kabel H07RN-F zaručuje bezpečnost a spolehlivost.
- Vhodné pro čerpání odpadních a splaškových vod, včetně vláknitých nečistot a dalších pevných částic.
- Maximální teplota čerpané kapaliny: 0 až 40 °C.
- Maximální hloubka ponoru: 10 m.
POUŽITÍ
Čerpadla ALLIGATOR 32 jsou ideální pro různé aplikace v oblasti čerpání znečištěných vod, jako jsou:
- Čističky odpadních vod.
- Kanalizace a septiky.
- Odpadní vody z rezidenčních a komerčních objektů.
- Přívalové dešťové vody.
- Profesionální i domácí použití.
VARIANTY
- 230V bez plováku
- 230V s plovákem
- 400V bez plováku
KŘIVKA VÝKONŮ

ROZMĚRY

ROZMĚRY SE SPOUŠTĚCÍM ZAŘÍZENÍM QG
